跳转至
目录
启英泰伦文档中心
封装信息
官方网站
语音AI平台
🌏
English
🇺🇸
English
🇨🇳
简体中文
正在初始化搜索引擎
首页
公司介绍
新手指南
视频教程
硬件开发
软件开发
产品方案开发
产品测试
FAQ
语音AI平台
样品和批量采购
联系我们
⇪ 返回顶部
启英泰伦文档中心
首页
公司介绍
新手指南
新手指南
新手指南
语音识别原理
了解智能语音
产品开发基础
视频教程
视频教程
视频教程列表
硬件开发
硬件开发
硬件选型指南
芯片数据手册
芯片数据手册
芯片数据手册概述
CI23242
CI23242
芯片概述
引脚描述
硬件设计
电气特性
封装信息
芯片订购信息
CI23161 & CI23162
CI23161 & CI23162
芯片概述
引脚描述
硬件设计
电气特性
封装信息
芯片订购信息
CI2311 & CI2312
CI2311 & CI2312
芯片概述
引脚描述
硬件设计
电气特性
封装信息
芯片订购信息
CI2305 & CI2306
CI2305 & CI2306
芯片概述
引脚描述
硬件设计
电气特性
封装信息
芯片订购信息
CI13082V
CI13082V
芯片概述
引脚描述
接口描述
硬件设计
电气特性
封装信息
芯片订购信息
CI13162P
CI13162P
芯片概述
引脚描述
硬件设计
电气特性
封装信息
芯片订购信息
CI13161 & CI13162
CI13161 & CI13162
芯片概述
引脚描述
接口描述
硬件设计
电气特性
封装信息
芯片订购信息
CI13241 & CI13242
CI13241 & CI13242
芯片概述
引脚描述
接口描述
硬件设计
电气特性
封装信息
芯片订购信息
CI13322
CI13322
芯片概述
引脚描述
接口描述
硬件设计
电气特性
封装信息
芯片订购信息
CI1301 & CI1302 & CI1303
CI1301 & CI1302 & CI1303
芯片概述
引脚描述
系统描述
系统控制单元SCU
DPMU
DMA
通用定时器和PWM输出
独立看门狗(IWTD)
窗口看门狗(WWTD)
DTR Flash
IIC
GPIO
IIS
UART
ADC
硬件设计
软件设计
电气特性
封装信息
芯片订购信息
CI1306
CI1306
芯片概述
引脚描述
系统描述
系统控制单元SCU
DPMU
DMA
通用定时器和PWM输出
独立看门狗(IWTD)
窗口看门狗(WWTD)
DTR Flash
IIC
GPIO
IIS
UART
ADC
硬件设计
软件设计
电气特性
封装信息
芯片订购信息
CI1311 & CI1312
CI1311 & CI1312
芯片概述
引脚描述
系统描述
系统控制单元SCU
DPMU
DMA
通用定时器和PWM输出
独立看门狗(IWTD)
窗口看门狗(WWTD)
DTR Flash
IIC
GPIO
UART
硬件设计
软件设计
电气特性
封装信息
芯片订购信息
CI1122
CI1122
芯片概述
引脚描述
系统描述
系统控制单元SCU
DMA
ADC
通用定时器和PWM输出
独立看门狗(IWTD)
窗口看门狗(WWTD)
IIC
GPIO
IIS
UART
硬件设计
软件设计
电气特性
封装信息
芯片订购信息
CI1102
CI1102
芯片概述
引脚描述
系统描述
系统控制单元SCU
DMA
ADC
通用定时器和PWM输出
独立看门狗(IWTD)
窗口看门狗(WWTD)
IIC
GPIO
IIS
UART
SPI0
硬件设计
软件设计
电气特性
封装信息
芯片订购信息
CI1103
CI1103
芯片概述
引脚描述
系统描述
系统控制单元SCU
DMA
ADC
通用定时器和PWM输出
独立看门狗(IWTD)
窗口看门狗(WWTD)
IIC
GPIO
IIS
UART
SPI0
硬件设计
软件设计
电气特性
封装信息
芯片订购信息
模块数据手册
模块数据手册
模块数据手册概述
CI23LC系列
CI23LC系列
CI-G16XGS02T模块数据手册
CI-G16XGS03T模块数据手册
CI-G16XGS02J模块数据手册
CI-G24XGS02J模块数据手册
CI231X系列
CI231X系列
CI-E1XGS02J模块数据手册
CI230X系列
CI230X系列
CI-E0XGT03S模块数据手册
CI-E0XGT02S模块数据手册
CI13LC系列
CI13LC系列
CI-F08XGS02J模块数据手册
CI-F16XGS02J模块数据手册
CI-F16XGS02T模块数据手册
CI-F24XGS01J模块数据手册
CI-F24XGS01S模块数据手册
CI-F322GS01S模块数据手册
CI-H16XGS01J模块数据手册
CI13XX系列
CI13XX系列
CI-D1XGS08J模块数据手册
CI-D1XGS10T模块数据手册
CI-D0XGS01J模块数据手册
CI-D0XGS09J模块数据手册
CI-D0XGS02S模块数据手册
CI-D0XGS07J-BT模块数据手册
CI-D02GS04U模块数据手册
CI-D06GT01J模块数据手册
CI112X系列
CI112X系列
CI-C22GS02S模块数据手册
CI-C22GS02J模块数据手册
CI-C22CS04U模块数据手册
CI110X系列
CI110X系列
CI-B02GS01S模块数据手册
CI-B03GS01S模块数据手册
CI-B02GS06J模块数据手册
CI-B03GT02S模块数据手册
CI-B02GS10J-BT模块数据手册
开发板套件说明
开发板套件说明
开发板套件说明概述
CI230X系列
CI230X系列
CI-E0XGT03S_MB开发板套件说明
CI-E05GT02S_MB开发板套件说明
CI13LC系列
CI13LC系列
CI13322开发板套件说明
CI13241&CI13242开发板套件说明
CI13XX系列
CI13XX系列
CI1306开发板套件说明
CI1301&CI1302&CI1303开发板套件说明
CI112X系列
CI112X系列
CI-B02-MB开发板套件说明
CI110X系列
CI110X系列
CI-B03GT02S-MB开发板套件说明
产品结构设计
产品结构设计
麦克风结构设计
单端和差分麦克风的使用说明
喇叭结构设计
硬件设计参考
硬件测试报告
外围器件兼容列表
软件开发
软件开发
软件开发概述
CI23LC系列芯片SDK
CI23LC系列芯片SDK
SDK概述
开发入门
开发入门
编译软件安装与使用
SDK Quick Start
命令词和固件制作指南
SDK软件结构
CI231X系列芯片串口协议V1
CI231X系列芯片串口协议V2
CI231X系列芯片语义ID说明
FLASH加密功能使用说明
板级配置使用说明
蓝牙功能开发
蓝牙功能开发
CI23LC_SDK_BLE_V1.3.13
CI23LC_SDK_BLE_V1.3.13
CI23LC系列BLE蓝牙开发说明
CI23LC系列小程序交互协议与功能说明
CI23LC_SDK_BLE_V1.2.2
CI23LC_SDK_BLE_V1.2.2
CI23LC系列BLE蓝牙开发说明
CI23LC系列小程序交互协议与功能说明
微信小程序开发
微信小程序开发
小程序微信开发者工具使用说明
启英小程序文件结构与框架接口说明
小程序风扇设备示例说明
微信小程序账号的注册、认证与备案
小程序信息补充与权限申请说明
微信小程序代码审核发布流程
微信小程序分包说明
语音处理及识别算法
语音处理及识别算法
算法概述
语音识别使用说明
离线命令词自学习使用说明
SDK组件
SDK组件
命令词信息管理模块(command_info)
提示音播放器(prompt_player)
实时操作系统(FreeRTOS)
音频播放器(AUDIO PLAYER)
用户数据管理(NV DATA)
存储控制(FLASH CTL)
系统监控(SYS MONITOR)
灯控(LED)
日志(LOG)
CI231X系列芯片 IIC 协议
芯片驱动
芯片驱动
通用输入输出(GPIO)
通用异步收发传输器(UART)
脉冲宽度调制输出(PWM)
增强型脉冲宽度调制输出(EPWM)
通用定时器(TIMER)
音频数字传输总线(IIS)
集成电路总线(IIC)
独立看门狗(IWDG)
多媒体音频编解码器(CODEC)
录音与放音驱动(CAP AND PLAY)
CI231X系列芯片SDK
CI231X系列芯片SDK
SDK概述
开发入门
开发入门
编译软件安装与使用
SDK Quick Start
命令词和固件制作指南
SDK软件结构
CI231X系列芯片串口协议V1
CI231X系列芯片串口协议V2
CI231X系列芯片语义ID说明
FLASH加密功能使用说明
板级配置使用说明
蓝牙功能开发
小程序接入指南
小程序使用指南
语音处理及识别算法
语音处理及识别算法
算法概述
语音识别使用说明
语音降噪使用说明
回声消除使用说明
离线命令词自学习使用说明
SDK组件
SDK组件
命令词信息管理模块(command_info)
提示音播放器(prompt_player)
实时操作系统(FreeRTOS)
音频播放器(AUDIO PLAYER)
用户数据管理(NV DATA)
存储控制(FLASH CTL)
系统监控(SYS MONITOR)
灯控(LED)
日志(LOG)
CI231X系列芯片 IIC 协议
芯片驱动
芯片驱动
通用输入输出(GPIO)
通用异步收发传输器(UART)
脉冲宽度调制输出(PWM)
模数转换器(ADC)
通用定时器(TIMER)
音频数字传输总线(IIS)
集成电路总线(IIC)
独立看门狗(IWDG)
多媒体音频编解码器(CODEC)
录音与放音驱动(CAP AND PLAY)
CI230X系列芯片SDK
CI230X系列芯片SDK
SDK概述
开发入门
开发入门
开发环境搭建与使用
SDK Quick Start
命令词和固件制作指南
CI230X系列芯片内部管脚映射表
CI230X系列芯片芯片内部串口传输协议
CI230X系列芯片外部串口协议V1
CI230X系列芯片外部串口协议V2
CI230X系列芯片语义ID说明
CI230X系列芯片板级配置说明
SDK波特率校准功能说明
语音处理及识别算法
语音处理及识别算法
算法概述
语音识别使用说明
DOA使用说明
语音降噪使用说明
回声消除使用说明
离线命令词自学习使用说明
SDK组件
SDK组件
命令词信息管理模块(command_info)
提示音播放器(prompt_player)
实时操作系统(FreeRTOS)
音频播放器(AUDIO PLAYER)
用户数据管理(NV DATA)
存储控制(FLASH CTL)
系统监控(SYS MONITOR)
灯控(LED)
日志(LOG)
CI230X系列芯片 IIC 协议
芯片驱动
芯片驱动
语音部分外设驱动开发
语音部分外设驱动开发
通用输入输出(GPIO)
通用异步收发传输器(UART)
脉冲宽度调制输出(PWM)
模数转换器(ADC)
通用定时器(TIMER)
音频数字传输总线(IIS)
集成电路总线(IIC)
独立看门狗(IWDG)
多媒体音频编解码器(CODEC)
录音与放音驱动(CAP AND PLAY)
WIFI部分外设驱动开发
IOT云端接入说明
IOT云端接入说明
腾讯IOT云接入
涂鸦IOT云接入
腾讯TVS云接入
AT指令集
三代芯片OTA说明
小程序开发开发流程
CI13LC系列
CI13LC系列
离线语音识别SDK
离线语音识别SDK
快速入门
快速入门
IDE 搭建与使用
SDK 快速开发
API参考
API参考
API约定
API约定
应用层协议
应用层协议
CI13LC系列芯片串口协议V1
CI13LC系列芯片串口协议V2
CI13LC系列芯片IIC协议
Speech API
Speech API
自动语音识别(ASR)
增益调节(GAIN)
音频系统管理(CODEC MANAGER)
外设API
外设API
通用输入输出(GPIO)
通用定时器(TIMER)
集成电路总线(IIC)
串行闪存控制器(SPIFLASH)
通用异步收发传输器(UART)
脉冲宽度调制输出(PWM)
音频数字传输总线(IIS)
多媒体音频编解码器(CODEC)
存储API
存储API
存储控制(FLASH CTL)
用户数据管理(NV DATA)
flash分区表
系统API
系统API
实时操作系统(FreeRTOS)
时钟配置
CI13LC低功耗方案说明
独立看门口(IWTD)
H/W硬件参考
API指南
API指南
语音处理及识别算法
语音处理及识别算法
语音识别使用说明
离线命令词自学习使用说明
语音识别深度进阶
语音识别深度进阶
命令词和固件制作指南
CI13LC系列芯片语义ID说明
语音UI设计参考
命令词推荐
命令词推荐
中文命令词推荐
英文命令词推荐
日文命令词推荐
韩文命令词推荐
越南语命令词推荐
俄文命令词推荐
泰文命令词推荐
西班牙文命令词推荐
德文命令词推荐
印尼文命令词推荐
阿拉伯文命令词推荐
唤醒词推荐
唤醒词推荐
中文唤醒词推荐
英文唤醒词推荐
日文唤醒词推荐
韩文唤醒词推荐
越南语唤醒词推荐
俄文唤醒词推荐
泰文唤醒词推荐
西班牙文唤醒词推荐
德文唤醒词推荐
印尼文唤醒词推荐
阿拉伯文唤醒词推荐
声学模型说明
播报音合成
语音识别效果优化
命令词修改
SDK组件
SDK组件
板级配置使用说明
SDK波特率校准功能说明
系统监控(SYS MONITOR)
灯控(LED)
日志(LOG)
命令词信息管理模块(command_info)
音频播放器(AUDIO PLAYER)
提示音播放器(prompt_player)
SDK版本简介
SDK版本简介
迁移指南
迁移指南
从V1.2.1迁移到V2.0.15
从V1.1.4迁移到V1.2.1
从V1.0.8迁移到V1.1.4
从V1.0.7迁移到V1.0.8
安全指南
安全指南
FLASH加密功能使用说明
二代加密狗使用手册
库与框架
库与框架
SDK软件结构
贡献指南
资源
资源
UART串口调试工具使用说明
离线升级工具使用说明
采音板使用说明
Visual Studio Code
GCC编译工具链
版权与许可证
关于本指南
切换语言
CI13XX系列
CI13XX系列
离线语音识别SDK
离线语音识别SDK
快速入门
快速入门
IDE 搭建与使用
SDK 快速开发
API参考
API参考
API约定
API约定
应用层协议
应用层协议
CI13XX系列芯片串口协议V1
CI13XX系列芯片串口协议V2
CI13XX系列芯片IIC协议
Speech API
Speech API
自动语音识别(ASR)
增益调节(GAIN)
音频系统管理(CODEC MANAGER)
外设API
外设API
模数转换器(ADC)
通用输入输出(GPIO)
通用定时器(TIMER)
集成电路总线(IIC)
串行闪存控制器(SPIFLASH)
通用异步收发传输器(UART)
脉冲宽度调制输出(PWM)
音频数字传输总线(IIS)
多媒体音频编解码器(CODEC)
存储API
存储API
存储控制(FLASH CTL)
用户数据管理(NV DATA)
flash分区表
系统API
系统API
实时操作系统(FreeRTOS)
时钟配置
CI13XX低功耗方案说明
独立看门口(IWTD)
H/W硬件参考
API指南
API指南
语音处理及识别算法
语音处理及识别算法
语音识别使用说明
离线命令词自学习使用说明
回声消除使用说明
语音识别深度进阶
语音识别深度进阶
命令词和固件制作指南
CI13XX系列芯片语义ID说明
语音UI设计参考
命令词推荐
命令词推荐
中文命令词推荐
英文命令词推荐
日文命令词推荐
韩文命令词推荐
越南语命令词推荐
俄文命令词推荐
泰文命令词推荐
西班牙文命令词推荐
德文命令词推荐
印尼文命令词推荐
阿拉伯文命令词推荐
唤醒词推荐
唤醒词推荐
中文唤醒词推荐
英文唤醒词推荐
日文唤醒词推荐
韩文唤醒词推荐
越南语唤醒词推荐
俄文唤醒词推荐
泰文唤醒词推荐
西班牙文唤醒词推荐
德文唤醒词推荐
印尼文唤醒词推荐
阿拉伯文唤醒词推荐
声学模型说明
播报音合成
语音识别效果优化
命令词修改
SDK组件
SDK组件
板级配置使用说明
SDK波特率校准功能说明
系统监控(SYS MONITOR)
灯控(LED)
日志(LOG)
命令词信息管理模块(command_info)
音频播放器(AUDIO PLAYER)
提示音播放器(prompt_player)
SDK版本简介
SDK版本简介
迁移指南
迁移指南
从2.1.14迁移到2.2.0
从2.0.10迁移到2.1.14
从1.12.16迁移到2.0.10
从1.11.7迁移到1.12.16
安全指南
安全指南
FLASH加密功能使用说明
二代加密狗使用手册
库与框架
库与框架
SDK软件结构
贡献指南
资源
资源
UART串口调试工具使用说明
离线升级工具使用说明
采音板使用说明
Visual Studio Code
GCC编译工具链
版权与许可证
关于本指南
切换语言
离线语音算法SDK
离线语音算法SDK
快速入门
快速入门
IDE 搭建与使用
SDK 快速开发
API参考
API参考
API约定
API约定
应用层协议
应用层协议
CI13XX系列芯片串口协议V1
CI13XX系列芯片串口协议V2
CI13XX系列芯片IIC协议
Speech API
Speech API
自动语音识别(ASR)
增益调节(GAIN)
音频系统管理(CODEC MANAGER)
外设API
外设API
模数转换器(ADC)
通用输入输出(GPIO)
通用定时器(TIMER)
集成电路总线(IIC)
串行闪存控制器(SPIFLASH)
通用异步收发传输器(UART)
脉冲宽度调制输出(PWM)
音频数字传输总线(IIS)
多媒体音频编解码器(CODEC)
存储API
存储API
存储控制(FLASH CTL)
用户数据管理(NV DATA)
flash分区表
系统API
系统API
实时操作系统(FreeRTOS)
时钟配置
CI13XX低功耗方案说明
独立看门口(IWTD)
三代芯片ota升级说明V1
三代芯片ota升级说明V2
H/W硬件参考
API指南
API指南
语音处理及识别算法
语音处理及识别算法
单麦语音识别算法
声纹注册算法
男女声纹检测算法
哭声与鼾声检测算法
深度降噪算法
双麦声源定位算法
自学习算法
双麦降混响算法
回声消除算法
命令词自学习加回声消除算法
语音合成TTS算法
双麦语音增强算法
双麦声源定位加回声消除算法
双麦降混响加回声消除算法
双麦语音增强加回声消除算法
双麦声源定位加双麦降混响算法
双麦语音增强加双麦降混响算法
自学习加双麦声源定位
任意MIC识别加回声消除算法
自学习加双麦声源定位加回声消除
声音能量值计算算法
自动增益控制算法
多意图语音识别开发文档
离线命令词自学习使用说明
语音识别深度进阶
语音识别深度进阶
命令词和固件制作指南
CI13XX系列芯片语义ID说明
语音UI设计参考
命令词推荐
命令词推荐
中文命令词推荐
英文命令词推荐
日文命令词推荐
韩文命令词推荐
越南语命令词推荐
俄文命令词推荐
泰文命令词推荐
西班牙文命令词推荐
德文命令词推荐
印尼文命令词推荐
阿拉伯文命令词推荐
唤醒词推荐
唤醒词推荐
中文唤醒词推荐
英文唤醒词推荐
日文唤醒词推荐
韩文唤醒词推荐
越南语唤醒词推荐
俄文唤醒词推荐
泰文唤醒词推荐
西班牙文唤醒词推荐
德文唤醒词推荐
印尼文唤醒词推荐
阿拉伯文唤醒词推荐
声学模型说明
播报音合成
语音识别效果优化
命令词修改
SDK组件
SDK组件
板级配置使用说明
SDK波特率校准功能说明
系统监控(SYS MONITOR)
灯控(LED)
日志(LOG)
命令词信息管理模块(command_info)
音频播放器(AUDIO PLAYER)
提示音播放器(prompt_player)
SDK版本简介
SDK版本简介
迁移指南
迁移指南
从2.4.18迁移到2.5.32
从2.5.32迁移到2.6.3
安全指南
安全指南
FLASH加密功能使用说明
二代加密狗使用手册
库与框架
库与框架
SDK软件结构
贡献指南
资源
资源
UART串口调试工具使用说明
离线升级工具使用说明
采音板使用说明
Visual Studio Code
GCC编译工具链
版权与许可证
关于本指南
切换语言
语音通话降噪SDK
语音通话降噪SDK
快速入门
快速入门
IDE 搭建与使用
SDK 快速开发
API参考
API参考
API约定
API约定
应用层协议
应用层协议
CI13XX系列芯片串口协议V1
CI13XX系列芯片串口协议V2
CI13XX系列芯片IIC协议
Speech API
Speech API
自动语音识别(ASR)
增益调节(GAIN)
音频系统管理(CODEC MANAGER)
外设API
外设API
模数转换器(ADC)
通用输入输出(GPIO)
通用定时器(TIMER)
集成电路总线(IIC)
串行闪存控制器(SPIFLASH)
通用异步收发传输器(UART)
脉冲宽度调制输出(PWM)
音频数字传输总线(IIS)
多媒体音频编解码器(CODEC)
存储API
存储API
存储控制(FLASH CTL)
用户数据管理(NV DATA)
flash分区表
系统API
系统API
实时操作系统(FreeRTOS)
时钟配置
CI13XX低功耗方案说明
独立看门口(IWTD)
三代芯片ota升级说明V1
三代芯片ota升级说明V2
H/W硬件参考
API指南
API指南
降噪算法使用说明
降噪算法使用说明
回声消除算法(AEC)
自动增益控制算法(AGC)
啸叫抑制算法(AHS)
自动电平控制算法(ALC)
动态范围控制算法(DRC)
均衡器算法(EQ)
录音功能
SDK版本简介
SDK版本简介
迁移指南
迁移指南
安全指南
安全指南
FLASH加密功能使用说明
二代加密狗使用手册
库与框架
库与框架
SDK软件结构
贡献指南
资源
资源
UART串口调试工具使用说明
离线升级工具使用说明
采音板使用说明
Visual Studio Code
GCC编译工具链
版权与许可证
关于本指南
切换语言
离在线大模型对话SDK
离在线大模型对话SDK
快速入门
快速入门
IDE 搭建与使用
SDK 快速开发
API参考
API参考
API约定
API约定
应用层协议
应用层协议
CI13XX系列芯片串口协议V1
CI13XX系列芯片串口协议V2
CI13XX系列芯片IIC协议
Speech API
Speech API
自动语音识别(ASR)
增益调节(GAIN)
音频系统管理(CODEC MANAGER)
外设API
外设API
模数转换器(ADC)
通用输入输出(GPIO)
通用定时器(TIMER)
集成电路总线(IIC)
串行闪存控制器(SPIFLASH)
通用异步收发传输器(UART)
脉冲宽度调制输出(PWM)
音频数字传输总线(IIS)
多媒体音频编解码器(CODEC)
存储API
存储API
存储控制(FLASH CTL)
用户数据管理(NV DATA)
flash分区表
系统API
系统API
实时操作系统(FreeRTOS)
时钟配置
CI13XX低功耗方案说明
独立看门口(IWTD)
三代芯片ota升级说明V1
三代芯片ota升级说明V2
离在线大模型对话API
离在线大模型对话API
离在线大模型对话任务及API说明
H/W硬件参考
API指南
API指南
语音处理及识别算法
语音处理及识别算法
单麦语音识别算法
深度降噪算法
双麦声源定位算法
自学习算法
回声消除算法
双麦声源定位加回声消除加降噪算法
命令词自学习加回声消除算法
回声消除加降噪算法
语音识别深度进阶
语音识别深度进阶
命令词和固件制作指南
CI13XX系列芯片语义ID说明
语音UI设计参考
命令词推荐
命令词推荐
中文命令词推荐
英文命令词推荐
日文命令词推荐
韩文命令词推荐
越南语命令词推荐
俄文命令词推荐
泰文命令词推荐
西班牙文命令词推荐
德文命令词推荐
印尼文命令词推荐
阿拉伯文命令词推荐
唤醒词推荐
唤醒词推荐
中文唤醒词推荐
英文唤醒词推荐
日文唤醒词推荐
韩文唤醒词推荐
越南语唤醒词推荐
俄文唤醒词推荐
泰文唤醒词推荐
西班牙文唤醒词推荐
德文唤醒词推荐
印尼文唤醒词推荐
阿拉伯文唤醒词推荐
声学模型说明
播报音合成
语音识别效果优化
命令词修改
SDK组件
SDK组件
板级配置使用说明
SDK波特率校准功能说明
系统监控(SYS MONITOR)
灯控(LED)
日志(LOG)
命令词信息管理模块(command_info)
音频播放器(AUDIO PLAYER)
提示音播放器(prompt_player)
SDK版本简介
SDK版本简介
迁移指南
迁移指南
安全指南
安全指南
FLASH加密功能使用说明
二代加密狗使用手册
库与框架
库与框架
SDK软件结构
贡献指南
资源
资源
UART串口调试工具使用说明
离线升级工具使用说明
采音板使用说明
Visual Studio Code
GCC编译工具链
版权与许可证
关于本指南
切换语言
CI112X系列芯片SDK
CI112X系列芯片SDK
SDK概述
开发入门
开发入门
SDK Quick Start
命令词和固件制作指南
SDK软件结构
CI112X系列芯片串口协议
CI112X系列芯片语义ID说明
内存结构
FLASH加密功能使用说明
语音处理及识别算法
语音处理及识别算法
算法概述
语音识别使用说明
语音降噪使用说明
SDK组件
SDK组件
命令词信息管理模块(command_info)
提示音播放器(prompt_player)
实时操作系统(FreeRTOS)
音频播放器(AUDIO PLAYER)
用户数据管理(NV DATA)
存储控制(FLASH CTL)
系统监控(SYS MONITOR)
灯控(LED)
单总线(ONE WIRE)
按键(KEY)
红外控制(IR)
日志(LOG)
传感器管理组件
CI112X系列芯片 IIC 协议
芯片驱动
芯片驱动
通用输入输出(GPIO)
通用异步收发传输器(UART)
脉冲宽度调制输出(PWM)
模数转换器(ADC)
通用定时器(TIMER)
音频数字传输总线(IIS)
集成电路总线(IIC)
独立看门狗(IWDG)
多媒体音频编解码器(CODEC)
录音与放音驱动(CAP AND PLAY)
第三方驱动
第三方驱动
热敏电阻温度传感器
手势光感传感器APDS9960
温湿度传感器DHT11
红外矩阵传感器MLX90620
激光测距传感器RCWL0801
微波雷达传感器RCWL0516
灰尘传感器YW51
CI110X系列芯片SDK
CI110X系列芯片SDK
SDK概述
开发入门
开发入门
SDK Quick Start
命令词和固件制作指南
SDK软件结构
CI110X系列芯片串口协议
CI110X系列芯片语义ID说明
内存结构
内存分配调整指南
FLASH加密功能使用说明
低功耗使用说明
JLINK调试指南
语音模块与WIFI模块数据交互协议
语音处理及识别算法
语音处理及识别算法
算法概述
语音识别使用说明
DOA使用说明
语音增强使用说明
语音降噪使用说明
回声消除使用说明
语音降混响使用说明
离线命令词自学习使用说明
SDK组件
SDK组件
命令词信息管理模块(command_info)
提示音播放器(prompt_player)
实时操作系统(FreeRTOS)
音频播放器(AUDIO PLAYER)
文件系统(FATFS)
用户数据管理(NV DATA)
存储控制(FLASH CTL)
TCP/IP协议栈(LWIP)
系统监控(SYS MONITOR)
灯控(LED)
单总线(ONE WIRE)
按键(KEY)
红外控制(IR)
云端识别服务(ASR ONLINE)
日志(LOG)
调试组件(DBG)
传感器管理组件
CI110X系列芯片 IIC协议
芯片驱动
芯片驱动
通用输入输出(GPIO)
通用异步收发传输器(UART)
脉冲宽度调制输出(PWM)
模数转换器(ADC)
通用定时器(TIMER)
安全数字输入\输出接口(SDIO)
音频数字传输总线(IIS)
集成电路总线(IIC)
独立看门狗(IWDG)
串行闪存控制器(SPIFLASH)
多媒体音频编解码器(CODEC)
录音与放音驱动(CAP AND PLAY)
高速缓冲存储器(CACHE)
通用串行外设接口(SPI)
第三方驱动
第三方驱动
热敏电阻温度传感器
手势光感传感器APDS9960
温湿度传感器DHT11
红外矩阵传感器MLX90620
激光测距传感器RCWL0801
微波雷达传感器RCWL0516
灰尘传感器YW51
产品方案开发
产品方案开发
产品方案开发概述及流程
产品方案开发概述及流程
产品方案开发流程
单麦语音识别
单麦语音识别
串口与电控通讯方案-纯离线语音
串口与电控通讯方案-纯离线语音+蓝牙
命令词自学习方案开发
单麦语音识别项目开发-CI13162
双麦语音识别
双麦语音识别
CI13XX系列双MIC语音识别项目开发V1.0
单麦深度降噪语音识别
单麦深度降噪语音识别
单麦深度神经网络降噪+语音识别项目开发-CI1303
高噪、震动、近距离产品的语音识别方案开发-CI1302
单麦深度降噪
单麦深度降噪
CI1332X系列-通话降噪方案
单麦语音主控
单麦语音主控
主控方案-CI13LC离线语音吸顶灯主控方案
主控方案-CI110X离线语音风扇
主控方案-CI110X离线语音空调插座
主控方案-CI1122离线语音USBDongle空调遥控器
单麦语音红外控制
单麦语音红外控制
完善中......
单麦语音小程序
单麦语音小程序
基于CI23242蓝牙模块的微信小程序开发
单麦语音AIOT
单麦语音AIOT
AIOT产品方案开发指南
腾讯AIOT灯控方案
双麦语音AIOT
双麦语音AIOT
完善中......
离线TTS方案
离线TTS方案
离线TTS方案概述
离线TTS方案使用说明
单麦声音事件检测
单麦声音事件检测
男女声纹检测方案
产品测试
产品测试
产品测试概述
语音产品测试及认证
语音产品测试及认证
识别效果测试标准
自动化识别测试
无线产品测试及认证
无线产品测试及认证
CI230X系列芯片 射频测试指令及方法
CI230X系列芯片 CE 认证测试方法
CI230X系列芯片 SRRC 认证测试方法
CI230X系列芯片 兼容性测试报告
CI230X系列芯片 Wi-Fi 传导自测报告
CI230X系列芯片 BLE 硬件测试报告
生产测试
FAQ
FAQ
FAQ概述
基本功能和选型
硬件设计
软件设计
结构设计
性能和测试
平台使用
商务相关
语音AI平台
语音AI平台
语音AI平台概述
语音AI平台使用指南
语音AI平台使用指南
语音AI平台产品开发流程指引
语音AI平台上传附件填写规范
功能开发
功能开发
开发文档
产品开发
产品开发
产品开发概述
离线自然说方案平台开发流程指引
组件开发
组件开发
组件开发概述
固件识别测试
在线咨询
开发资料
视频教程
提交工单
帮助文档
样品采购
通知
企业认证
训练需求(小语种)
训练需求(小语种)
训练数据采集环境及方法说明
启英泰伦小语种产品识别验收标准
小语种录音方法及流程
语音AI平台使用协议
样品和批量采购
联系我们
请点击下载PDF文档
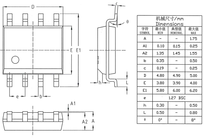
封装信息
¶
下图是芯片的封装外形图,具体尺寸参数见图中所示。
图P-1 芯片封装外形尺寸图