Package Information¶
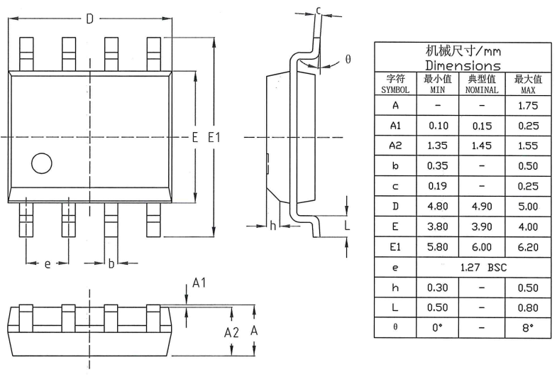
The figure below shows the package outline drawing of the chip. For specific dimensional parameters, please refer to the figure.
Figure P-1 Chip Package Outline Drawing
The figure below shows the package outline drawing of the chip. For specific dimensional parameters, please refer to the figure.